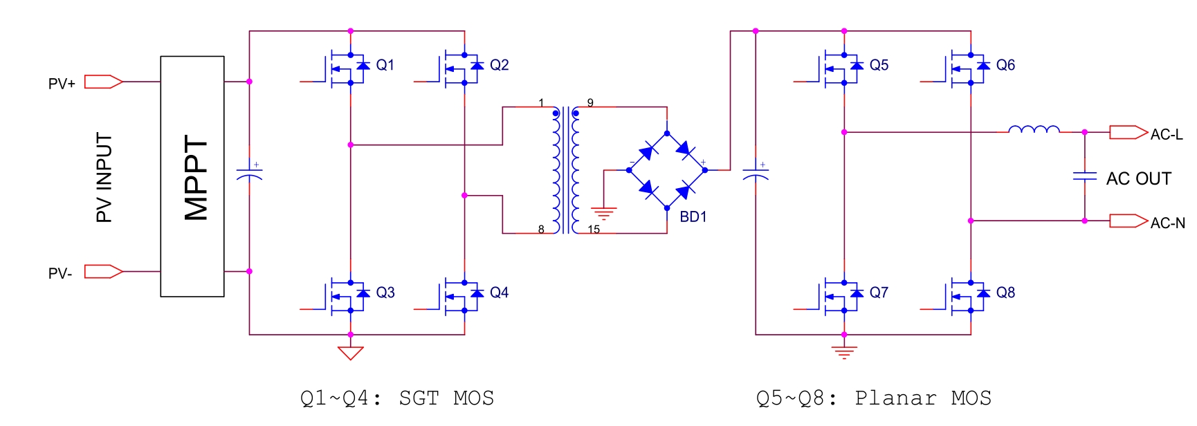
沃尔德SGT MOS 具有极低的RDs(on) 、低的Qg和Ciss ,并具有开关速度快等特点,能满足产品温升和效率的要求。
|
Type
|
Package
|
Type
|
VDSS
(V)
|
VGS
(V)
|
ID
(A)
|
VGS(th) (V)MIN
|
VGS(th) (V)MAX
|
RDS(on)@ VGS=10V(mΩ)TYPE
|
RDS(on)@ VGS=10V(mΩ)MAX
|
RDS(on)@ VGS=4.5V(mΩ)TYPE
|
RDS(on)@ VGS=4.5V(mΩ)MAX
|
Download
|
|
MTR4R4N03D33
|
PDFN3*3
|
N
|
30
|
±20
|
70
|
1
|
2.2
|
3.4
|
4.4
|
4.6
|
6.5
|
|
|
MTR1R4N03SD
|
PDFN5*6
|
N
|
30
|
±20
|
178
|
1.2
|
2.5
|
1.1
|
1.4
|
2.1
|
2.8
|
|
|
MTR5R6N03SD
|
PDFN5*6
|
N
|
30
|
±20
|
30
|
1.3
|
2.1
|
4.5
|
5.6
|
6.1
|
7.6
|
|
|
MTR005N04D33
|
PDFN3*3
|
N
|
40
|
±20
|
60
|
1.5
|
2.5
|
3.5
|
5
|
6.2
|
7.5
|
|
|
MTR7R4N04D33
|
PDFN3*3
|
N
|
40
|
±20
|
47
|
1
|
2.5
|
4.7
|
7.4
|
7.4
|
9.6
|
|
|
MTR1R3N04SD
|
PDFN5*6
|
N
|
40
|
±20
|
130
|
1.2
|
2.5
|
1.1
|
1.3
|
/
|
/
|
|
|
MTR1R2N04TL
|
TOLL
|
N
|
40
|
±20
|
250
|
1.1
|
2.4
|
0.9
|
1.2
|
/
|
/
|
|
|
MTR1R2N04CTG
|
TO-263-7
|
N
|
40
|
±20
|
250
|
1.1
|
2.4
|
0.9
|
1.2
|
/
|
/
|
|
|
MTR5R0N06SD
|
PDFN5*6
|
N
|
60
|
±20
|
75
|
2.6
|
3.7
|
4.8
|
5
|
0
|
0
|
|
|
MTR7R5N06SD
|
PDFN5*6
|
N
|
60
|
±20
|
55
|
1.3
|
2.5
|
6.5
|
7.5
|
10
|
12
|
|
|
MTR003N06SD
|
PDFN5*6
|
N
|
60
|
±20
|
125
|
1.2
|
2.5
|
2.3
|
3
|
3
|
4
|
|
|
MTR1R3N06SD
|
PDFN5*6
|
N
|
60
|
±20
|
280
|
1
|
2.2
|
0.9
|
1.3
|
/
|
/
|
|
|
MTR2R8N06SD
|
PDFN5*6
|
N
|
60
|
±20
|
95
|
1.2
|
2.5
|
2.3
|
2.8
|
/
|
/
|
|
|
MTR10R2N06SD
|
PDFN5*6
|
N
|
60
|
±20
|
32
|
1
|
2.5
|
9
|
10.2
|
12.8
|
16
|
|
|
MTR7R5N06P8
|
SOP-8
|
N
|
60
|
±20
|
55
|
1
|
2.5
|
6.5
|
7.5
|
10
|
12
|
|
|
MTR015N06P8
|
SOP-8
|
N
|
60
|
±20
|
17
|
1
|
2.5
|
12
|
15
|
16.5
|
22
|
|
|
MTR16R5N06P8
|
SOP-8
|
N
|
60
|
±20
|
17
|
1
|
2.5
|
15
|
16.5
|
16.5
|
25
|
|
|
MTR008N06P8
|
SOP-8
|
N
|
60
|
±20
|
18
|
1
|
2.5
|
7.3
|
8
|
10
|
12
|
|
|
MTR3R8N06CT
|
TO-220CB
|
N
|
60
|
±20
|
195
|
1
|
2.5
|
3.1
|
3.8
|
3.9
|
5
|
|
|
MTR5R5N06CT
|
TO-220CB
|
N
|
60
|
±20
|
80
|
1
|
2.5
|
4.5
|
5.5
|
6.7
|
9.8
|
|
|
MTR4R6N08SD
|
PDFN5*6
|
N
|
80
|
±20
|
100
|
2
|
4
|
3.8
|
4.6
|
/
|
/
|
|
|
MTR6R7N08SD
|
PDFN5*6
|
N
|
80
|
±20
|
80
|
2
|
4
|
5.3
|
6.7
|
/
|
/
|
|
|
MTR5R5N08SD
|
PDFN5*6
|
N
|
80
|
±20
|
80
|
1.1
|
2.5
|
4.4
|
5.5
|
/
|
/
|
|
|
MTR1R6N08TL
|
TOLL
|
N
|
80
|
±20
|
360
|
2
|
4
|
1.27
|
1.6
|
/
|
/
|
|
|
MTR002N08TL
|
TOLL
|
N
|
80
|
±20
|
240
|
2
|
4
|
1.4
|
2
|
/
|
/
|
|
|
MTR3R8N08TL
|
TOLL
|
N
|
80
|
±20
|
160
|
2
|
4
|
2.7
|
3.8
|
/
|
/
|
|
|
MTR4R6N08TL
|
TOLL
|
N
|
80
|
±20
|
120
|
2
|
4
|
3.6
|
4.6
|
/
|
/
|
|
|
MTR4R6N08CTB
|
TO-263
|
N
|
80
|
±20
|
120
|
2
|
4
|
3.7
|
4.6
|
/
|
/
|
|
|
MTR4R1N08CT
|
TO-220CB
|
N
|
80
|
±20
|
120
|
2
|
4
|
3.1
|
4.1
|
/
|
/
|
|
|
MTR2R2N08CT
|
TO-220CB
|
N
|
80
|
±20
|
160
|
2
|
4
|
1.6
|
2.2
|
/
|
/
|
|
|
MTR3R5N08CT
|
TO-220CB
|
N
|
80
|
±20
|
160
|
2
|
4
|
2.5
|
3.5
|
/
|
/
|
|
|
MTR025N10D33
|
PDFN3*3
|
N
|
100
|
±20
|
25
|
1.2
|
2.5
|
19
|
23
|
26
|
33
|
|
|
MTR7R2N10SD
|
PDFN5*6
|
N
|
100
|
±20
|
65
|
1.2
|
2.5
|
6
|
7.2
|
8.8
|
11.2
|
|
|
MTR9R2N10SD
|
PDFN5*6
|
N
|
100
|
±20
|
62
|
1
|
2.5
|
7.2
|
9.2
|
10.8
|
14
|
|
|
MTR9R5N10SD
|
PDFN5*6
|
N
|
100
|
±20
|
62
|
1
|
3
|
7.8
|
9.5
|
11.2
|
15
|
|
|
MTR4R6N10SD
|
PDFN5*6
|
N
|
100
|
±20
|
120
|
1.2
|
2.5
|
3.6
|
4.5
|
5.2
|
6.7
|
|
|
MTR5R2N10SD
|
PDFN5*6
|
N
|
100
|
±20
|
109
|
1.2
|
2.5
|
4.3
|
5.2
|
/
|
/
|
|
|
MTR7R7N10SD
|
PDFN5*6
|
N
|
100
|
±20
|
80
|
2.3
|
3.8
|
6.7
|
7.7
|
/
|
/
|
|
|
MTR16R5N10SD
|
PDFN5*6
|
N
|
100
|
±20
|
58
|
1
|
2.5
|
15
|
16.5
|
19.5
|
22
|
|
|
MTR8R5N10SD
|
PDFN5*6
|
N
|
100
|
±20
|
60
|
1.2
|
2.5
|
6.6
|
8.5
|
8.5
|
11
|
|
|
MTR3R9N10SD
|
PDFN5*6
|
N
|
100
|
±20
|
150
|
1
|
2.2
|
3
|
3.9
|
/
|
/
|
|
|
MTR017N10P8
|
SOP-8
|
N
|
100
|
±20
|
13
|
1
|
2.5
|
16
|
17
|
21
|
25
|
|
|
MTR7R2N10D
|
TO-252
|
N
|
100
|
±20
|
100
|
1.2
|
2.5
|
6.1
|
7.2
|
/
|
/
|
|
|
MTR010N10D
|
TO-252
|
N
|
100
|
±20
|
60
|
2
|
4
|
10
|
12
|
/
|
/
|
|
|
MTR7R8N10D
|
TO-252
|
N
|
100
|
±20
|
80
|
2
|
4
|
6.7
|
7.8
|
/
|
/
|
|
|
MTR017N10D
|
TO-252
|
N
|
100
|
±20
|
40
|
1.2
|
2.5
|
14
|
17
|
18
|
23
|
|
|
MTR16R5N10D
|
TO-252
|
N
|
100
|
±20
|
55
|
1
|
2.5
|
15
|
16.5
|
19.5
|
22
|
|
|
MTR7R7N10D
|
TO-252
|
N
|
100
|
±20
|
60
|
1.2
|
2.5
|
6.6
|
7.7
|
9.1
|
11.6
|
|
|
MTR2R2N10TL
|
TOLL
|
N
|
100
|
±20
|
320
|
2
|
4
|
1.6
|
2.2
|
/
|
/
|
|
|
MTR3R7N10TL
|
TOLL
|
N
|
100
|
±20
|
200
|
2
|
4
|
3.1
|
3.7
|
/
|
/
|
|
|
MTR1R8N10TL
|
TOLL
|
N
|
100
|
±20
|
320
|
2
|
4
|
1.55
|
1.8
|
/
|
/
|
|
|
MTR2R7N10CTB
|
TO-263
|
N
|
100
|
±20
|
160
|
2
|
4
|
2.1
|
2.7
|
/
|
/
|
|
|
MTR4R2N10CTB
|
TO-263
|
N
|
100
|
±20
|
160
|
2
|
4
|
3.3
|
4.2
|
/
|
/
|
|
|
MTR5R3N10CTB
|
TO-263
|
N
|
100
|
±20
|
130
|
2
|
4
|
4.7
|
5.3
|
/
|
/
|
|
|
MTR7R2N10CTB
|
TO-263
|
N
|
100
|
±20
|
80
|
2
|
4
|
6.4
|
7.2
|
/
|
/
|
|
|
MTR3R5N10CTB
|
TO-263
|
N
|
100
|
±20
|
160
|
2.4
|
3.6
|
2.8
|
3.5
|
/
|
/
|
|
|
MTR3R7N10CTG
|
TO-263-7
|
N
|
100
|
±20
|
200
|
2
|
4
|
3.1
|
3.7
|
/
|
/
|
|
|
MTR003N10CT
|
TO-220CB
|
N
|
100
|
±20
|
160
|
2
|
4
|
2.3
|
3
|
/
|
/
|
|
|
MTR4R5N10CT
|
TO-220CB
|
N
|
100
|
±20
|
160
|
2
|
4
|
3.5
|
4.5
|
/
|
/
|
|
|
MTR5R5N10CT
|
TO-220CB
|
N
|
100
|
±20
|
130
|
2
|
4
|
4.8
|
5.5
|
/
|
/
|
|
|
MTR10R5N10CT
|
TO-220CB
|
N
|
100
|
±20
|
60
|
2
|
4
|
9.5
|
10.5
|
/
|
/
|
|
|
MTR010N10CT
|
TO-220CB
|
N
|
100
|
±20
|
76
|
1
|
2.5
|
8.8
|
10
|
12
|
14
|
|
|
MTR16R5N10CT
|
TO-220CB
|
N
|
100
|
±20
|
55
|
1
|
2.5
|
15
|
16.5
|
19
|
22
|
|
|
MTR4R8N10CT
|
TO-220CB
|
N
|
100
|
±20
|
130
|
2
|
4
|
4.1
|
4.8
|
/
|
/
|
|
|
MTR4R5N10PT
|
TO-247
|
N
|
100
|
±20
|
200
|
2
|
4
|
3.2
|
4.5
|
/
|
/
|
|
|
MTR013N12SD
|
PDFN5*6
|
N
|
120
|
±20
|
68
|
1.2
|
2.5
|
10
|
13
|
/
|
/
|
|
|
MTR10R5N15SD
|
PDFN5*6
|
N
|
150
|
±20
|
90
|
2
|
4
|
8.9
|
10.5
|
/
|
/
|
|
|
MTR10R8N15SD
|
PDFN5*6
|
N
|
150
|
±20
|
75
|
2
|
4
|
9.6
|
10.8
|
/
|
/
|
|
|
MTR007N15CTB
|
TO-263
|
N
|
150
|
±20
|
140
|
2.5
|
4.5
|
5.8
|
7
|
/
|
/
|
|
|
MTR007N15CT
|
TO-220CB
|
N
|
150
|
±20
|
140
|
2.5
|
4.5
|
5.8
|
7
|
/
|
/
|
|
|
MTR10R5N15CT
|
TO-220CB
|
N
|
150
|
±20
|
120
|
2
|
4
|
8.9
|
10.5
|
/
|
/
|
|
|
MTR7R2N15CT
|
TO-220CB
|
N
|
150
|
±20
|
141
|
2
|
4
|
6.2
|
7.2
|
/
|
/
|


查询授权经销














