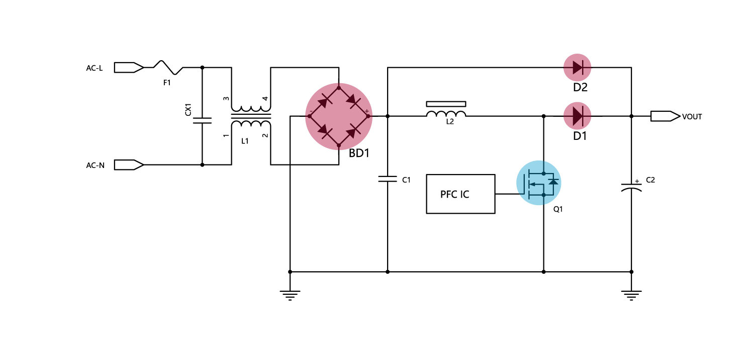
功率校正因数(PFC),是针对非正弦电流波形畸变而采取的, 迫使交流线路电流追踪电压波形的瞬时变化轨迹,并使电流和电压保持同相位,解决了电流波形的校正,同时也解决了电压、电流的同相问题并具有升压的作用。

软桥产品
|
Type |
Current |
Voltage |
Package |
Application |
VF @25℃ |
IR(uA)25℃ |
IR(mA)125℃ |
IFSM(A) |
Tj(℃) |
|
WRGBU610 |
6 |
1000 |
GBU |
90W |
5 |
0.1 |
150 |
-55 to +175 |
|
|
WRD3K610 |
6 |
1000 |
D3K |
90W |
5 |
0.1 |
150 |
-55 to +175 |
|
|
WRLBS60M |
6 |
1000 |
LBS |
90 |
5 |
0.1 |
170 |
-55 to +175 |
|
|
WRLBS80M |
8 |
1000 |
LBS |
100 |
5 |
0.1 |
200 |
-55 to +175 |
|
|
WRGBU810 |
8 |
1000 |
GBU |
100W |
5 |
0.1 |
180 |
-55 to +175 |
|
|
WRGBP810 |
8 |
1000 |
GBP |
100W |
5 |
0.1 |
180 |
-55 to +175 |
|
|
WRD3K810 |
8 |
1000 |
D3K |
100W |
1.0@4A |
5 |
0.1 |
180 |
-55 to +175 |
|
WRRBU810 |
8 |
1000 |
RBU |
100W |
1.0@4A |
5 |
0.1 |
180 |
-55 to +175 |
|
WRKBJ1008 |
10 |
800 |
KBJ |
100W |
5 |
0.1 |
200 |
-55 to +175 |
|
|
WRGBU1010 |
10 |
1000 |
GBU |
120W |
5 |
0.1 |
200 |
-55 to +175 |
|
|
WRD3K1008 |
10 |
800 |
D3K |
100 |
5 |
0.1 |
240 |
-55 to +175 |
|
|
WRGBU1510-TB |
15 |
1000 |
GBU |
150 |
5 |
0.1 |
240 |
-55 to +175 |
|
|
WRGBU1510 |
15 |
1000 |
GBU |
150W |
1.0@7.5A |
5 |
0.1 |
240 |
-55 to +175 |
|
WRRBU1510 |
15 |
1000 |
RBU |
130W |
1.0@7.5A |
5 |
0.1 |
240 |
-55 to +175 |
|
WRKBJ1510 |
15 |
1000 |
KBJ |
130W |
1.0@7.5A |
5 |
0.1 |
240 |
-55 to +175 |
LOW VF 桥产品
|
Type |
Current |
Voltage |
Package |
Application |
VF @25℃ |
VF @125℃ |
IR(uA)25℃ |
IR(mA)125℃ |
IFSM(A) |
Tj(℃) |
|
MSB40JL |
4 |
600 |
MSB |
50W |
0.79@2A |
5 |
0.1 |
150 |
-55 to +150 |
|
|
LSB40JL |
4 |
600 |
LSB |
60W |
5 |
0.1 |
150 |
-55 to +150 |
||
|
GBP406L |
4 |
600 |
GBP |
65W |
0.79@2A |
10 |
0.5 |
80 |
-55 to +150 |
|
|
RBU406L |
4 |
600 |
RBU |
65W |
0.79@2A |
10 |
0.5 |
120 |
-55 to +150 |
|
|
GBU806L |
8 |
600 |
GBU |
100W |
0.82@4A |
5 |
0.1 |
120 |
-55 to +150 |
|
|
KBJ806L |
8 |
600 |
KBJ |
100W |
0.82@4A |
10 |
0.5 |
120 |
-55 to +150 |
|
|
RBU806L |
8 |
600 |
RBU |
100W |
0.82@4A |
10 |
0.5 |
120 |
-55 to +150 |
|
|
GBU8L06 |
8 |
600 |
GBU |
100W |
5 |
0.1 |
120 |
-55 to +150 |
||
|
GBU8V06 |
8 |
600 |
GBU |
100W |
5 |
0.1 |
200 |
-55 to +150 |
||
|
GBU1006L |
10 |
600 |
GBU |
120W |
10 |
0.5 |
150 |
-55 to +150 |
||
|
GBU1506L |
15 |
600 |
GBU |
150W |
0.84@7.5A |
10 |
0.5 |
300 |
-55 to +150 |
|
|
KBJ1506L |
15 |
600 |
KBJ |
150W |
0.84@7.5A |
10 |
0.5 |
300 |
-55 to +150 |
|
|
RBU1506L |
15 |
600 |
RBU |
150W |
0.84@7.5A |
10 |
0.5 |
300 |
-55 to +150 |
|
|
GBJ1506L |
15 |
600 |
GBJ |
150W |
0.9@7.5A |
0.84@7.5A |
10 |
0.5 |
300 |
-55 to +150 |
|
GBJ1508L |
15 |
800 |
GBJ |
150W |
0.8@7.5A |
10 |
0.5 |
300 |
-55 to +150 |
|
|
GBU15V06 |
15 |
600 |
GBU |
150W |
5 |
0.1 |
250 |
-55 to +150 |
||
|
GBU15L06 |
15 |
600 |
GBU |
150W |
10 |
0.5 |
250 |
-55 to +150 |
||
|
GBJ2506L |
25 |
600 |
GBJ |
250W |
0.9@12.5A |
10 |
0.5 |
300 |
-55 to +150 |
|
|
GBU2506L |
25 |
600 |
GBU |
200W |
10 |
0.5 |
300 |
-55 to +150 |
||
|
GBJ2508L |
25 |
800 |
GBJ |
250W |
10 |
0.5 |
300 |
-55 to +150 |
||
|
DXB2508L |
25 |
800 |
DXT |
300W |
0.91@12.5A |
0.85@12.5A |
10 |
0.5 |
300 |
-55 to +150 |
|
GBU25V06 |
25 |
600 |
GBU |
250W |
5 |
0.1 |
300 |
-55 to +150 |
||
|
GBJ25V06 |
25 |
600 |
GBJ |
250W |
5 |
0.1 |
300 |
-55 to +150 |
||
|
DXT4008L |
40 |
800 |
DXT-5 |
500W |
0.90@20A |
10 |
0.5 |
450 |
-55 to +150 |
|
|
DXT6008L |
60 |
800 |
DXT-5 |
600W |
0.95@30A |
0.90@30A |
10 |
0.5 |
500 |
-55 to +150 |
类碳化硅、碳化硅产品
|
Type |
Current(A) |
Voltage(V) |
Package |
Application |
VF @25℃ |
VF@125℃ |
Trr(ns) |
IR(uA)25℃ |
IR(mA)125℃ |
IFSM(A) |
Tj(℃) |
|
TSR6T600ACT |
6 |
600 |
TO-220AC |
类碳化硅 |
2.0@6A |
/ |
1 |
0.03 |
80 |
-55 to +150 |
|
|
TSR6T650ACT |
6 |
650 |
TO-220AC |
类碳化硅 |
/ |
1 |
0.03 |
80 |
-55 to +150 |
||
|
SSR6C65ACT |
6 |
650 |
TO-220ACT |
碳化硅 |
/ |
2 |
0.03 |
65 |
-55 to +150 |
||
|
TSR8T600ACT |
8 |
600 |
TO-220AC |
类碳化硅 |
/ |
50 |
0.3 |
120 |
-55 to +150 |
||
|
TSR8T650ACT |
8 |
650 |
TO-220AC |
类碳化硅 |
2.2@8A |
/ |
1 |
0.03 |
120 |
-55 to +150 |
|
|
TSR10T600ACT |
10 |
600 |
TO-220AC |
类碳化硅 |
/ |
50 |
0.3 |
130 |
-55 to +150 |
||
|
SSR10C65ACT |
10 |
650 |
TO-220ACT |
碳化硅 |
1.55@10A |
1.95@10A |
/ |
5 |
0.01 |
530 |
-55 to +150 |
|
SSR20C65APT |
20 |
650 |
TO-247 |
碳化硅 |
/ |
5 |
0.01 |
800 |
-55 to +150 |
||
|
SSR30C65APT |
30 |
650 |
TO-247 |
碳化硅 |
/ |
5 |
0.01 |
1040 |
-55 to +150 |
超快恢复二极管产品
|
Type |
Current(A) |
Voltage(V) |
Package |
Application |
VF@25℃ |
VF@125℃ |
Trr(ns) |
IR(uA)25℃ |
IR(mA)125℃ |
IFSM(A) |
Tj(℃) |
|
ES5JB |
5 |
600 |
SMB |
GPP |
1.7@5A |
/ |
10 |
100 |
150 |
-55 to +150 |
|
|
ES5JC |
5 |
600 |
SMC |
GPP |
1.7@5A |
/ |
10 |
100 |
150 |
-55 to +150 |
|
|
MURE1080ACF |
10 |
800 |
TO-220FAC |
FRED |
/ |
5 |
100 |
150 |
-55 to +150 |
||
|
MUR1080ACF |
10 |
800 |
TO-220ACF |
GPP |
/ |
5 |
0.25 |
150 |
-55 to +150 |
||
|
ES8JSP |
8 |
600 |
TO-277 |
GPP |
/ |
5 |
0.1 |
130 |
-55 to +150 |
||
|
ES5JSP |
5 |
600 |
TO-277 |
GPP |
/ |
5 |
0.1 |
110 |
-55 to +150 |
||
|
ES3JSP |
3 |
600 |
TO-277 |
GPP |
/ |
5 |
0.1 |
90 |
-55 to +150 |
||
|
ES3JB |
3 |
600 |
SMB |
GPP |
/ |
5 |
0.1 |
90 |
-55 to +150 |


查询授权经销








