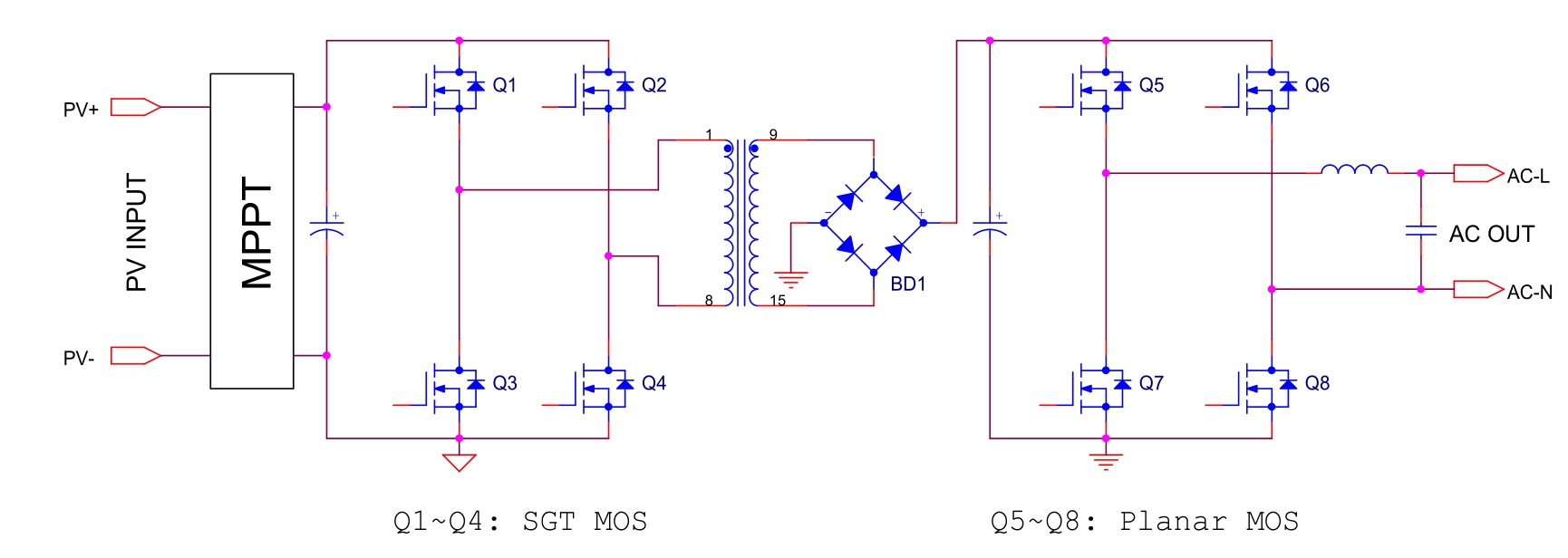
沃尔德Planar MOS 具有低的RDs(on)和Ciss 并具有强的EAS性能等特点,能满足产品高效和可靠的要求。
|
TYPE |
Package |
Channel |
VDSS(V) |
VGS(V) |
ID |
VGS(th) (V) |
VGS(th) (V) |
RDS(on)@ VGS=10V(mΩ) |
RDS(on)@ VGS=10V(mΩ) |
Download |
|
MPR11N45CTF |
TO-220F |
N |
450 |
±30 |
11 |
2 |
4 |
500 |
750 |
|
|
MPR5N50D |
TO-252 |
N |
500 |
±30 |
5 |
2.5 |
4.5 |
1550 |
/ |
|
|
MPR13N50CTF |
TO-220F |
N |
500 |
±30 |
13 |
2 |
4 |
430 |
470 |
|
|
MPR18N50CTF |
TO-220F |
N |
500 |
±30 |
18 |
2 |
4 |
240 |
280 |
|
|
MPR7N65CTF |
TO-220F |
N |
650 |
±30 |
7 |
2 |
4 |
1200 |
1400 |
|
|
MPR10N65CTF |
TO-220F |
N |
650 |
±30 |
10 |
2 |
4 |
780 |
820 |
|
|
MPR12N65CTF |
TO-220F |
N |
650 |
±30 |
12 |
2 |
4 |
650 |
850 |
|
|
MPR20N65CTF |
TO-220F |
N |
650 |
±30 |
20 |
2 |
4 |
420 |
500 |
|
|
MPR6N70CTF-T |
TO-220F |
N |
700 |
±30 |
6 |
2 |
4 |
1100 |
1200 |
|
|
MPR3N90CT |
TO-220AB |
N |
900 |
±30 |
3 |
3 |
4.5 |
5000 |
5500 |
|
|
MPR8N90CT |
TO-220AB |
N |
900 |
±30 |
8 |
2.7 |
4 |
1200 |
1500 |
|
|
MPR9N90CT |
TO-220CB |
N |
900 |
±30 |
9 |
3 |
5 |
920 |
1200 |
|
|
MPR9N90CTF |
TO-220F |
N |
900 |
±30 |
9 |
3 |
5 |
920 |
1200 |
|
|
MPR3N150PT |
TO-247 |
N |
1,500 |
±30 |
3 |
3 |
5 |
6100 |
7000 |


查询授权经销













