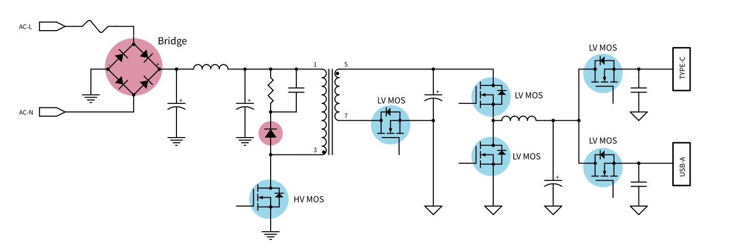
电源适配器广泛配套于安防摄像头、机顶盒、路由器、灯条、按摩仪、手机、液晶显示器和笔记本电脑等产品中。
器件选型
|
Type |
Current |
Voltage |
Package |
Application |
VF@25℃ |
IR(uA)25℃ |
IR(mA)125℃ |
IFSM(A) |
Tj(℃) |
|
KBJ406 |
4 |
800 |
KBJ |
48W |
1.0@4A |
1 |
0.5 |
135 |
-55 to +175 |
|
GBL406 |
4 |
800 |
GBL |
48W |
1.0@4A |
1 |
0.5 |
135 |
-55 to +175 |
|
D3K410 |
4 |
1000 |
D6K |
48W |
1.1@4A |
5 |
0.5 |
120 |
-55 to +175 |
|
GBL410G |
4 |
1000 |
GBL |
60W |
1.15@4A |
5 |
0.5 |
160 |
-55 to +150 |
|
GBP410 |
4 |
1000 |
GBP |
60W |
1.15@4A |
5 |
0.5 |
120 |
-55 to +150 |
|
GBU410 |
4 |
1000 |
GBU |
60W |
1.15@4A |
5 |
0.5 |
120 |
-55 to +150 |
|
GBP410-S Short pin |
4 |
1000 |
GBP |
60W |
1.15@4A |
10 |
0.5 |
100 |
-55 to +175 |
|
LSB40M |
4 |
1000 |
LSB |
48W |
1.15@4A |
10 |
0.1 |
100 |
-55 to +175 |
|
LSB50M |
5 |
1000 |
LSB |
48W |
5 |
0.1 |
180 |
-55 to +150 |
|
|
KBJ606 |
6 |
800 |
KBJ |
65W |
1 |
0.5 |
170 |
-55 to +150 |
|
|
GBU608 |
6 |
800 |
GBU |
65W |
1 |
0.5 |
170 |
-55 to +175 |
|
|
LSB60M |
6 |
1000 |
LSB |
48W |
5 |
0.1 |
160 |
-55 to +150 |
|
|
GBL610 |
6 |
1000 |
GBL |
72W |
5 |
0.5 |
160 |
-55 to +150 |
|
|
GBU610 |
6 |
1000 |
GBU |
72W |
5 |
0.5 |
150 |
-55 to +150 |
|
|
D3K610 |
6 |
1000 |
D3K |
65W |
5 |
0.5 |
170 |
-55 ~ +175 |
|
|
GBP610 |
6 |
1000 |
GBP |
72W |
10 |
0.5 |
175 |
-55 to +150 |
|
|
GBU610G |
6 |
1000 |
GBU |
72W |
1 |
0.5 |
170 |
-55 to +150 |
|
|
RBU810 |
8 |
1000 |
RBU |
90W |
5 |
0.5 |
175 |
-55 to +150 |
|
|
D3K810 |
8 |
1000 |
D5K |
90W |
5 |
0.5 |
170 |
-55 to +150 |
|
|
GBU810 |
8 |
1000 |
GBU |
90W |
5 |
0.5 |
175 |
-55 to +150 |
|
|
GBL810 |
8 |
1000 |
GBL |
90W |
5 |
0.5 |
175 |
-55 to +150 |
|
|
GBP810 |
8 |
1000 |
GBP |
72W |
10 |
0.5 |
200 |
-55 to +150 |
|
|
LSB80M |
8 |
1000 |
LSB |
65W |
10 |
0.5 |
200 |
-55 to +150 |
肖特基选型
|
Type |
Current |
Voltage |
Package |
Application |
VF@25℃ |
VF@125℃ |
IR(uA)25℃ |
IR(mA)125℃ |
IFSM(A) |
TJ(℃) |
|
TSR20V120CT/CTF |
20 |
120 |
TO-220/263/262 |
19V/3.25A |
0.75@10A |
50 |
10 |
220 |
-65 to +150 |
|
|
TSR20L120CT |
20 |
120 |
TO-220/263/262 |
24V/2A |
0.70@10A |
50 |
40 |
120 |
-40 to +150 |
|
|
TSP20V120SP |
20 |
120 |
TO-277 |
24V/1A |
0.73@20A |
50 |
10 |
220 |
-40 to +150 |
|
|
TSR30L120CT/CTF |
30 |
120 |
TO-220/263/262 |
20V/4.5A |
0.80@15A |
60 |
50 |
280 |
-65 to +150 |
|
|
TSR40L120CT/CTF |
40 |
120 |
TO-220/263/262 |
16V/5A |
0.46@20A |
50 |
10 |
280 |
-50 to +150 |


查询授权经销









